Habillage des zones vue |
![]() ![]() ![]()
|
|
L'habillage des zones vue est analogue à l'habillage dans une fenêtre 2D normale. L'ajout de la cotation et du 2D peut être effectué directement en mode Mise en plan, avec toutes les feuilles et les zones vue de la même mise en plan toujours visibles, ou en mode édition permanente de zone vue, et dans ce cas seule la zone vue courante est visible. En mode mise en plan, une série de fonctions d'habillage permettent d'insérer l'habillage directement dans les zones vue ou les détails de zones vue . L'accrochage dans les zones vue tient compte des entités 3D représentées et de l'habillage 2D préexistant. Un lien est créé avec les entités 3D lorsque c'est possible et pertinent. Dans certains cas, il est possible de coter entre plusieurs vues d'une zone vue multiple. Les entités peuvent être modifiées interactivement sans éditer la zone vue qui les contient.
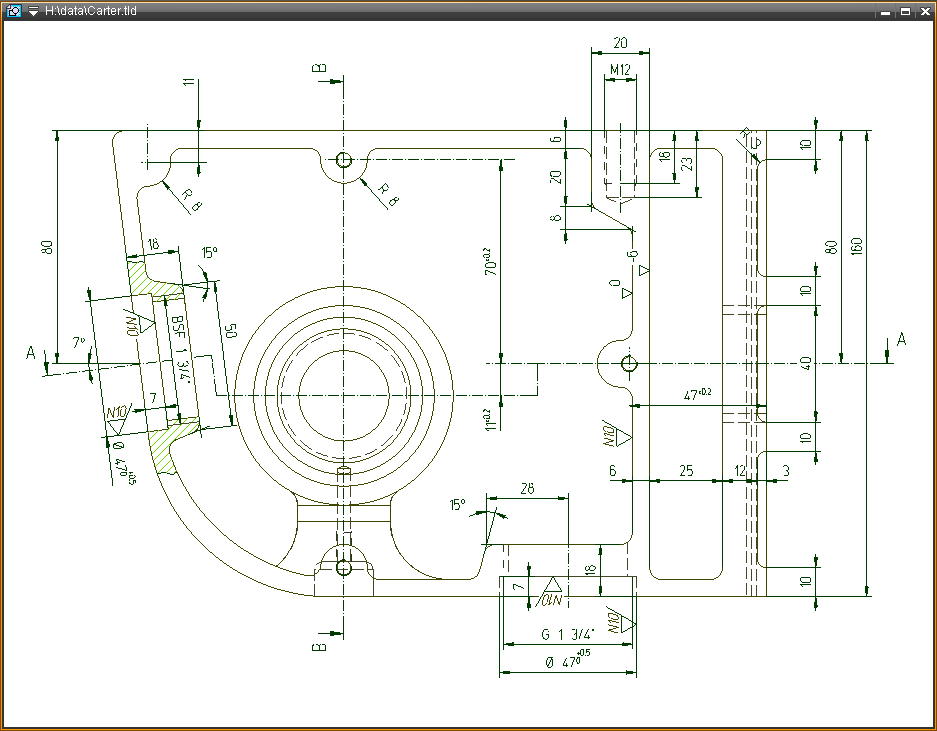
Exemple de zone vue d'un objet 3D, avec diverses cotes et traits d'axes, ainsi que des cotes de niveau, de surface et de filetage, et des lignes de coupe.
Pour de nombreuses fonctions, le système recherche automatiquement les points et les surfaces d'accrochage dans le modèle 3D, teste la cohérence entre la fonction courante et la topologie trouvée, et intègre les entités d'habillage dans l'espace de la zone vue à la bonne échelle.
Fonctions d'habillage de zones vue Les fonctions suivantes sont utilisables directement en mode mise en plan, elles savent reconnaître les zones vue et les éditer. Fonctions de type « cote » Pour les fonctions d'habillage de type « cote », le système crée un lien avec l'entité 3D (avec des attributs), ce qui permet dans la plupart des cas de mettre à jour la cote quand l'entité est modifiée. On peut aussi s'accrocher sur une entité 2D présente dans l'habillage, auquel cas aucun lien n'est créé. - Cote de longueur, de rayon/diamètre, d'angle - Axes, Axes limités, Axe médian, et Axe visant - Cote de niveau et Dépl. ligne de rappel - Symbole de surface , Symbole de soudure et Symbole de lubrification - Balloon, Balloon auto et Repère Cas spéciaux - Cote de diamètre posée sur le contour d'un cylindre.
- Cote sur Filets et taraudages : en cliquant sur les traits de filetage, une cote de diamètre est créée avec un libellé selon la table de filetage. Après avoir posé cette première cote, le système modifie le curseur et propose une seconde cote qui donne la profondeur du filetage ou taraudage (si pertinent). - Cote sur composants en vue symbolique : lien sur valeurs géométriques du composant. - Cote, axes, balloon auto et tableau de composant sur Modules : le lien est fait sur le module entier, sur son point d'origine.
Fonctions « collage » Les fonctions suivantes permettent de « coller » une entité ou une pièce 2D quelconque ou encore une image, directement dans une zone vue (2D ou 3D), avec un éventuel accrochage sur le 3D et un lien sur le 3D. Le mode d’accrochage est à choisir en faisant MODIF pendant le déplacement interactif : •« Libre/Point auto » : lien sur un « point » •« Aligné » ou « Perpendiculaire » : lien sur une « surface » (analogue symbole de surface)
Fonctions 2D de base, hors cotation Pour les fonctions d'habillage 2D de base, l'accrochage sur le 3D est possible, mais aucun lien n'est créé. - Arc, Cercle, Rectangle, et Point - Nuage - Spline - Texte et Texte circulaire - Remplissages : Motif, Surface, Remplissage auto, Texture, Dégradé, Rectangle rempli et Polygone rempli - Flèche
Cotation sur les entités 2D de base Il est aussi possible de poser des cotes sur les entités 2D décrites ci-dessus, dans ce cas aucun lien n'est créé.
Les mesures furtives (fonction 325) ou fixes (fonction 73), ou encore surface polygonale (fonction 2272) sont applicables aussi dans les zones vue des mises en plan.
Les fonctions mentionnées ci-dessus « accrochent » l'habillage aux entités visibles dans les zones vues.
Cet accrochage peut se faire sur des sommets de l'objet (à l'intersection trois surfaces), sur des arêtes représentant des surfaces planes ou courbes (porteuses de droites et cercles), sur les entités 2D de l'habillage (mais pas sur la cotation) ainsi que sur les entités de construction.
Les entités d'habillage sont autant que possible liées avec les entités 3D du dessin, de manière à s'adapter automatiquement aux modifications du 3D. Quand un lien est créé, il est visualisé au moment de poser la cote (ou autre entité d'habillage) avec un ou deux « diamants ».
Ce lien peut être vérifié par la suite avec la fonction Mesure éléments , qui ré-affiche le ou les diamants et indique l'existence du lien dans la fenêtre de mesure.
Habillage de zones vue multiples Textes Certains textes sont générés par le système : titre de zone vue générée par une ligne de coupe, labels des coudes d'une ligne de coupe. Ils peuvent être déplacé après coup (en particulier avec la fonction Haut<->bas).
Traits d'axes Le système génère aussi des « traits d'axes » entre les zones vue, pour marquer les coudes, si l'option a été choisie dans les paramètres de la fonction Mise en plan.
Cotes de longueur Il est possible de poser des cotes de longueur entre plusieurs zones vue d'une zone vue multiple, à certaines conditions. Dans cet exemple, la ligne de coupe C-C est créée avec une série de segments colinéaires (sur une suite d'intersections de lignes de construction),
La zone vue coupe générée comporte deux interruptions, avec des courbes créées par le système. Il est alors possible d'ajouter des cotes de longueur entre des points situés dans des zones vue distinctes (dans la même zone vue multiple).
Cotes sur les axes des plis entre zones vue Il est possible de poser une cote de longueur entre deux traits d'axe successifs, séparant les zones vue d'une zone vue multiple. Les tolérances géométriques peuvent aussi être placées sur ces axes.
Sélection Comme dans les fenêtres 2D, on peut sélectionner des entités de l'habillage une à une, ou dans une zone rectangulaire. Elles peuvent être modifiées ou supprimées. La modification ou la suppression des lignes de coupe entraîne la modification des zone vue liées, ou la suppression du lien. Le menu contextuel permet d'appliquer des changements à toutes les entités sélectionnées. Touche MODIF Le fonctionnement de la touche Modif (MODIF) sur une entité d'habillage est identique à celui dans les fenêtres 2D. Comme pour la création d'habillage, dans la Liste Undo/Redo on trouve typiquement la suite : « [Nom de la fonction] Modif [n], Edition symbole, Fin édition ».
2- Edition permanente de zone vue Une autre façon de travailler est d'éditer la zone vue avant d'ajouter de l'habillage, c'est le mode édition permanente de zone vue : toutes les fonctions de création 2D sont alors disponibles. Dans ce mode, les entités 3D apparaissent en sous-brillance.
|